App ID: FLM-T210017
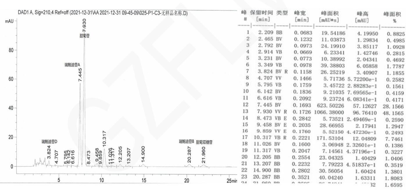
甜菊糖的HPLC检测
方法:GB 8270-2014
甜菊糖的HPLC检测色谱柱:Titank C18 5μ 250*4.6mm(货号:FMG-5560-EONU )
检测:UV 210nm
柱温:40℃
流速:1.0ml/min
进样量:10μL
流动相:乙腈:磷酸钠缓冲(称取 1.2g 磷酸二氢钠,溶于 800mL 水中,用磷酸调节 pH 至 2.6)=30:70
甜菊糖的HPLC检测客户评价:发酵虫草粉是一个比较经典的品种,大多数色谱柱使用超高比例的水相,往往寿命不好 。而本方法中更是使用了 100%水相 ,对比发现 Titank 色谱柱峰型及寿命优于其他品牌色谱柱。最大进样量下瑞鲍迪苷 A 与甜菊苷分离度 1.67,其余皆满足分离度要求,若采用 Ttiank C18 3u 250*4.6mm 可获得更大分离度。
本案例及评价来自山东某知名甜菊糖生产厂家


