App ID: FLM-SL210012
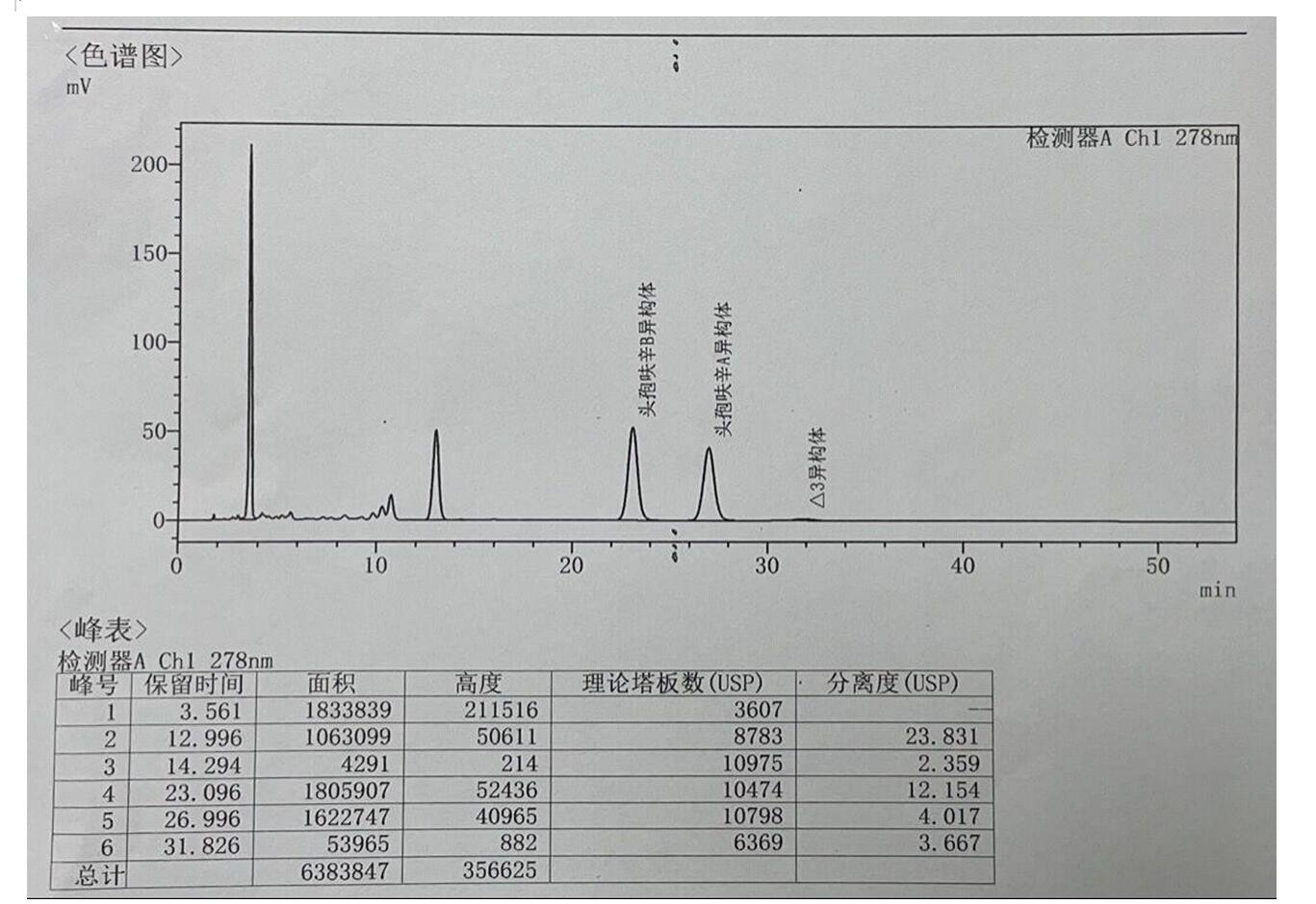
注射用头孢呋辛酯系统适应性的检测
方法:YBH05582019
色谱柱: SuperLu C18-AQ 5μm 250×4.6mm (货号:FMG-6375-EONU)
检测器:278nm
流速:1 mL/min
柱温:30℃
流动相条件:0.2M 磷酸二氢铵溶液-甲醇(62:38)
客户评价:头孢呋辛酯 A、B 异构体、△3-异构体与两个 E 异构体峰的相对保留时间分别约为 1.0、0.9、1.2与 1.7 和 2.。头孢呋辛酯 A、B 异构体之间,头孢呋辛酯 A-异构体与△3-异构体之间的分离度均应符合要求。
本案例及评价来自某省级药检所

